行业新闻
如何利用Pico示波器进行电容实验
发布时间:2018-08-07 浏览次数:2193
当未充电的电容器通过电阻器连接到一个直流电源上时,随着电容阳极的电势迅速增高,电容两极板之间的电势差(Vc)增大,但随着充电时间的增长,两极板的电势差逐渐下降直到等于直流电源的电压值(Vs)。当Vs=Vc时,通过电阻的电流为0,电容充电完成。电路的时间常数t定义为电容的电压值到达最终充电完成值的63.2%时所需的时间。我们可以得到电路时间常数的公式:t=RC,其中R是指电阻的欧姆值,C是指电容的法拉值
1.一台PC示波器,如2205型号的pico示波器;PicoScope软件
2.电容若干(这里使用的大约是1μF)
3.一个蓄电池(9V的PP3电池,所有类型的电池均可以)
4.合适的导线和连接器
方法/步骤:
1、串联RC安装电路图如下所示。在测量过程中,悬空引线是为了让电容器在测量中放电。在实验中,使用的电容值为1μF,电阻值为3900Ω以及一个9V的电池。
测量值可以通过计算机打印输出或者使用在PicoScope软件中的屏幕光标来确定电容两极板电势差的最大值。一旦时间常数被确定,标尺可以重新设置,以便可以从屏幕中读出时间值。在打印的输出上测量电势差的最大值,计算电源电压的63.2%的值画一条与X轴平行的虚线。取虚线与X轴的交点的数值,从表格中计算t的值。
从例子中的轨迹图可知:Vs=9V 9*63.2%=5.7V 对应的时间为4.1ms
已知 R=3900 可以得出 C=4.1*10-3/3900
计算得出的电容值 C=1.05μF
4、进一步研究
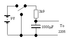
从电容器的放电特性中可以得到时间常数以及除了电压从Vc降至Vs的36.8%所需要的时间以外的充电时间。这样建立触发就变得困难,采用1000μF的电容在几秒内完成手动触发。采用的电路改进图如下所示。电容首先通过开关与电源相连,之后将开关打到另一位置使电容进行放电。
如果开关和电池被方波发生器取代,电路就可以采用一个小的电容。电容可以进行交替性的充放电。通过调整发电机频率和时基控制可以得到最好的波形图。
注意事项:
2205型号的Pico示波器可以设置时间轴上的任意值和合适的R值、C值。应当注意的是,2205示波器输入阻抗大约是1MΩ,而且将和电容器相并联。如果它的输入阻抗不能大幅度改变Vc的最大值,那么充电的电阻值的100倍应小于1MΩ。
下一篇: Pico示波器进行CAN总线解码分析

